บทที่ 5 งานควบคุมกระบอกสูบสองทางด้วยวาล์ว 5/2 แบบลม
วาล์วบังคับทิศทางลมแบบ 5/2 แบบบังคับการทำงานด้วยลม
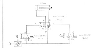
รูปที่ 5.1 แสดงโครงสร้างและสัญลักษณ์ของวาล์ว 5/2 แบบบังคับการทำงานด้วยลม
หลักการทำงาน
เมื่อมีสัญญาณลมเข้าทาง Y ลิ้นจเคลื่อนที่ไปทางด้านซ้าย ลมจากรู P จต่อถึงรู B และรู A จะต่อถึงรู R
เมื่อมีสัญญาณลมเข้าทาง X ลิ้นจเคลื่อนไปทางด้านขวา ลมจากรู P จะต่อถึง A และรู B จะต่อถึงรู S


ไม่มีความคิดเห็น:
แสดงความคิดเห็น